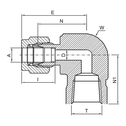
FEMALE 90⁰ ELBOW
DFE
| TUBE (METRIC) TO FEMALE NPT THREAD | |||||||||
| PART NUMBER | A TUBE O.D. | T NPT | D | W WRENCH | N | E | N1 | I | |
| mm | in | mm | in | mm | mm | mm | mm | mm | |
| DFE – 6M – 2N | 6 | 1/8 | 4.8 | 1/2 | 12.7 | 19.6 | 27.0 | 21.6 | 15.3 |
| DFE – 6M – 4N | 6 | 1/4 | 4.8 | 11/16 | 17.5 | 22.4 | 29.8 | 22.4 | 15.3 |
| DFE – 6M – 6N | 6 | 3/8 | 4.8 | 13/16 | 20.6 | 24.4 | 31.7 | 22.4 | 15.3 |
| DFE – 6M – 8N | 6 | 1/2 | 4.8 | 1 | 25.4 | 27.2 | 34.6 | 28.4 | 15.3 |
| DFE – 8M – 4N | 8 | 1/4 | 6.4 | 11/16 | 17.5 | 23.1 | 30.6 | 22.4 | 16.2 |
| DFE – 8M – 8N | 8 | 1/2 | 6.4 | 1 | 25.4 | 28 | 35.2 | 28.4 | 16.2 |
| DFE – 10M – 2N | 10 | 1/8 | 7.9 | 11/16 | 17.5 | 23.9 | 31.5 | 21.6 | 17.2 |
| DFE – 10M – 4N | 10 | 1/4 | 7.9 | 11/16 | 17.5 | 25 | 32.6 | 22.4 | 17.2 |
| DFE – 10M – 6N | 10 | 3/8 | 7.9 | 13/16 | 25.9 | 33.5 | 22.4 | 17.2 | |
| DFE – 10M – 8N | 10 | 1/2 | 7.9 | 1 | 25.4 | 28.7 | 36.1 | 28.4 | 17.2 |
| DFE – 12M – 4N | 12 | 1/4 | 9.5 | 13/16 | 20.6 | 25.9 | 36.0 | 22.4 | 22.8 |
| DFE – 12M – 6N | 12 | 3/8 | 9.5 | 13/16 | 20.6 | 25.9 | 36.0 | 22.4 | 22.8 |
| DFE – 12M – 8N | 12 | 1/2 | 9.5 | 1 | 25.4 | 28.7 | 38.8 | 28.4 | 22.8 |
| DFE – 16M – 8N | 16 | 1/2 | 11.9 | 1-1/16 | 27.0 | 29.7 | 39.9 | 28.4 | 22.4 |
| TUBE (INCH) TO FEMALE NPT THREAD | |||||||||||||||
| PART NUMBER | A TUBE O.D. | T NPT | D | W WRENCH FLAT | N | E | N1 | I | |||||||
| in | mm | in | in | mm | in | mm | in | mm | in | mm | in | mm | in | mm | |
| DFE – 2 – 2N | 1/8 | 3.17 | 1/8 | 0.09 | 2.28 | 1/2 | 12.7 | 0.71 | 18.03 | 0.97 | 24.64 | 0.75 | 19.05 | 0.50 | 12.7 |
| DFE – 2 – 4N | 1/8 | 3.17 | 1/4 | 0.09 | 2.28 | 11/16 | 17.5 | 0.82 | 20.80 | 1.08 | 27.43 | 0.94 | 23.75 | 0.50 | 12.7 |
| DFE – 3 – 2N | 3/16 | 4.76 | 1/8 | 0.12 | 30.4 | 1/2 | 12.7 | 0.74 | 18.80 | 1.00 | 25.40 | 0.75 | 19.05 | 0.54 | 13.7 |
| DFE – 4 – 2N | 1/4 | 6.35 | 1/8 | 0.19 | 4.82 | 1/2 | 12.7 | 0.77 | 19.55 | 1.06 | 26.92 | 0.75 | 19.05 | 0.60 | 15.3 |
| DFE – 4 – 4N | 1/4 | 6.35 | 1/4 | 0.19 | 7.82 | 11/16 | 17.5 | 0.88 | 22.40 | 1.17 | 29.72 | 0.88 | 22.40 | 0.60 | 15.3 |
| DFE – 4 – 6N | 1/4 | 6.35 | 3/8 | 0.19 | 7.82 | 13/16 | 20.6 | 0.96 | 24.38 | 1.25 | 31.75 | 0.88 | 22.40 | 0.60 | 15.3 |
| DFE – 4 – 8N | 1/4 | 6.35 | 1/2 | 0.19 | 7.82 | 1 | 25.4 | 1.07 | 27.18 | 1.36 | 34.54 | 1.12 | 28.45 | 0.60 | 15.3 |
| DFE – 5 – 2N | 5/16 | 7.93 | 1/8 | 0.25 | 6.35 | 9/16 | 14.3 | 0.84 | 21.30 | 1.13 | 28.70 | 0.75 | 19.05 | 0.64 | 16.2 |
| DFE – 5 – 4N | 5/16 | 7.93 | 1/4 | 0.25 | 6.35 | 11/16 | 17.5 | 0.91 | 23.11 | 1.20 | 30.48 | 0.88 | 22.40 | 0.64 | 16.2 |
| DFE – 6 – 2N | 3/8 | 9.52 | 1/8 | 0.28 | 7.11 | 5/8 | 15.9 | 0.91 | 23.11 | 1.20 | 30.48 | 0.75 | 19.05 | 0.66 | 16.9 |
| DFE – 6 – 4N | 3/8 | 9.52 | 1/4 | 0.28 | 7.11 | 11/16 | 17.5 | 0.88 | 22.40 | 1.23 | 31.24 | 0.88 | 22.40 | 0.66 | 16.9 |
| DFE – 6 – 6N | 3/8 | 9.52 | 3/8 | 0.28 | 7.11 | 13/16 | 20.6 | 1.02 | 25.90 | 1.31 | 33.27 | 0.88 | 22.40 | 0.66 | 16.9 |
| DFE – 6 – 8N | 3/8 | 9.52 | 1/2 | 0.28 | 7.11 | 1 | 25.4 | 1.12 | 28.45 | 1.42 | 36.07 | 1.12 | 28.45 | 0.66 | 16.9 |
| DFE – 8 – 4N | 1/2 | 12.70 | 1/4 | 0.41 | 10.41 | 13/16 | 20.6 | 1.02 | 25.90 | 1.42 | 36.07 | 0.88 | 22.40 | 0.90 | 22.9 |
| DFE – 8 – 6N | 1/2 | 12.70 | 3/8 | 0.41 | 10.41 | 13/16 | 20.6 | 1.02 | 25.90 | 1.42 | 36.07 | 0.88 | 22.40 | 0.90 | 22.9 |
| DFE – 8 – 8N | 1/2 | 12.70 | 1/2 | 0.41 | 10.41 | 1 | 25.4 | 1.12 | 28.44 | 1.53 | 38.86 | 1.13 | 28.70 | 0.90 | 22.9 |
| DFE – 10 – 6N | 5/8 | 15.87 | 3/8 | 0.50 | 12.70 | 15/16 | 23.8 | 1.10 | 27.90 | 1.50 | 38.10 | 0.88 | 22.40 | 0.96 | 24.4 |
| DFE – 10 – 8N | 5/8 | 15.87 | 1/2 | 0.50 | 12.70 | 1-1/16 | 27.0 | 1.17 | 29.70 | 1.57 | 39.86 | 1.12 | 28.45 | 0.96 | 24.4 |
| DFE – 12 – 8N | 3/4 | 19.05 | 1/2 | 0.62 | 15.74 | 1-1/16 | 27.0 | 1.17 | 29.70 | 1.57 | 39.86 | 1.12 | 28.45 | 0.96 | 24.5 |
| DFE – 12 – 12N | 3/4 | 19.05 | 3/4 | 0.62 | 15.74 | 1-3/8 | 34.9 | 1.25 | 31.75 | 1.76 | 44.70 | 1.25 | 31.75 | 0.96 | 24.5 |
| DFE – 14 – 12N | 7/8 | 22.22 | 3/4 | 0.72 | 18.28 | 1-3/8 | 34.9 | 1.25 | 31.75 | 1.76 | 44.70 | 1.25 | 31.75 | 1.02 | 25.9 |
| DFE – 16 – 12N | 1 | 25.40 | 3/4 | 0.88 | 22.35 | 1-3/8 | 34.9 | 1.25 | 31.75 | 1.93 | 49.02 | 1.25 | 31.75 | 1.23 | 31.2 |
| DFE – 16 – 16N | 1 | 25.40 | 1 | 0.88 | 22.35 | 1-11/16 | 42.9 | 1.50 | 38.10 | 2.11 | 53.59 | 1.50 | 38.10 | 1.23 | 31.2 |
| TUBE (METRIC) TO FEMALE ISO TAPERED THREAD | |||||||||
| PART NUMBER | A TUBE O.D. | T ISO | D | W WRENCH FLAT | N | E | N1 | I | |
| mm | in | mm | in | mm | mm | mm | mm | mm | |
| DFE – 6M – 2P | 6 | Rc 1/8 | 4.8 | 1/2 | 12.7 | 19.6 | 27 | 21.6 | 15.3 |
| DFE – 6M – 4P | 6 | Rc 1/4 | 4.8 | 11/16 | 17.5 | 22.4 | 29.8 | 22.4 | 15.3 |
| DFE – 6M – 6P | 6 | Rc 3/8 | 4.8 | 13/16 | 20.6 | 24.4 | 31.7 | 22.4 | 15.3 |
| DFE – 6M – 8P | 6 | Rc 1/2 | 4.8 | 1 | 25.4 | 27.2 | 34.6 | 28.4 | 15.3 |
| DFE – 8M – 4P | 8 | Rc 1/4 | 6.4 | 11/16 | 17.5 | 23.1 | 30.6 | 22.4 | 16.2 |
| DFE – 8M – 8P | 8 | Rc 1/2 | 6.4 | 1 | 25.4 | 28 | 35.2 | 28.4 | 16.2 |
| DFE – 10M – 2P | 10 | Rc 1/8 | 7.9 | 11/16 | 17.5 | 23.9 | 31.5 | 21.6 | 17.2 |
| DFE – 10M – 4P | 10 | Rc 1/4 | 7.9 | 11/16 | 17.5 | 25 | 32.6 | 22.4 | 17.2 |
| DFE – 10M – 6P | 10 | Rc 3/8 | 7.9 | 13/16 | 25.9 | 33.5 | 22.4 | 17.2 | |
| DFE – 10M – 8P | 10 | Rc 1/2 | 7.9 | 1 | 25.4 | 28.7 | 36.1 | 28.4 | 17.2 |
| DFE – 12M – 4P | 12 | Rc 1/4 | 9.5 | 13/16 | 20.6 | 25.9 | 36 | 22.4 | 22.8 |
| DFE – 12M – 6P | 12 | Rc 3/8 | 9.5 | 13/16 | 20.6 | 25.9 | 36 | 22.4 | 22.8 |
| DFE – 12M – 8P | 12 | Rc 1/2 | 9.5 | 1 | 25.4 | 28.7 | 38.8 | 28.4 | 22.8 |
| DFE – 16M – 8P | 16 | Rc 1/2 | 11.9 | 1-1/16 | 27 | 29.7 | 39.9 | 28.4 | 22.4 |
| TUBE (INCH) TO FEMALE ISO TAPERED THREAD | |||||||||||||||
| PART NUMBER | A TUBE O.D. | T ISO | D | W WRENCH FLAT | N | E | N1 | I | |||||||
| in | mm | in | in | mm | in | mm | in | mm | in | mm | in | mm | in | mm | |
| DFE – 2 – 2P | 1/8 | 3.17 | Rc 1/8 | 0.09 | 2.28 | 1/2 | 12.7 | 0.71 | 18.03 | 0.97 | 24.64 | 0.75 | 19.05 | 0.50 | 12.7 |
| DFE – 2 – 4P | 1/8 | 3.17 | Rc 1/4 | 0.09 | 2.28 | 11/16 | 17.5 | 0.82 | 20.80 | 1.08 | 27.43 | 0.94 | 23.75 | 0.50 | 12.7 |
| DFE – 3 – 2P | 3/16 | 4.76 | Rc 1/8 | 0.12 | 30.4 | 1/2 | 12.7 | 0.74 | 18.80 | 1.00 | 25.40 | 0.75 | 19.05 | 0.54 | 13.7 |
| DFE – 4 – 2P | 1/4 | 6.35 | Rc 1/8 | 0.19 | 4.82 | 1/2 | 12.7 | 0.77 | 19.55 | 1.06 | 26.92 | 0.75 | 19.05 | 0.60 | 15.3 |
| DFE – 4 – 4P | 1/4 | 6.35 | Rc 1/4 | 0.19 | 7.82 | 11/16 | 17.5 | 0.88 | 22.40 | 1.17 | 29.72 | 0.88 | 22.40 | 0.60 | 15.3 |
| DFE – 4 – 6P | 1/4 | 6.35 | Rc 3/8 | 0.19 | 7.82 | 13/16 | 20.6 | 0.96 | 24.38 | 1.25 | 31.75 | 0.88 | 22.40 | 0.60 | 15.3 |
| DFE – 4 – 8P | 1/4 | 6.35 | Rc 1/2 | 0.19 | 7.82 | 1 | 25.4 | 1.07 | 27.18 | 1.36 | 34.54 | 1.12 | 28.45 | 0.60 | 15.3 |
| DFE – 5 – 2P | 5/16 | 7.93 | Rc 1/8 | 0.25 | 6.35 | 9/16 | 14.3 | 0.84 | 21.30 | 1.13 | 28.70 | 0.75 | 19.05 | 0.64 | 16.2 |
| DFE – 5 – 4P | 5/16 | 7.93 | Rc 1/4 | 0.25 | 6.35 | 11/16 | 17.5 | 0.91 | 23.11 | 1.20 | 30.48 | 0.88 | 22.40 | 0.64 | 16.2 |
| DFE – 6 – 2P | 3/8 | 9.52 | Rc 1/8 | 0.28 | 7.11 | 5/8 | 15.9 | 0.91 | 23.11 | 1.20 | 30.48 | 0.75 | 19.05 | 0.66 | 16.9 |
| DFE – 6 – 4P | 3/8 | 9.52 | Rc 1/4 | 0.28 | 7.11 | 11/16 | 17.5 | 0.88 | 22.40 | 1.23 | 31.24 | 0.88 | 22.40 | 0.66 | 16.9 |
| DFE – 6 – 6P | 3/8 | 9.52 | Rc 3/8 | 0.28 | 7.11 | 13/16 | 20.6 | 1.02 | 25.90 | 1.31 | 33.27 | 0.88 | 22.40 | 0.66 | 16.9 |
| DFE – 6 – 8P | 3/8 | 9.52 | Rc 1/2 | 0.28 | 7.11 | 1 | 25.4 | 1.12 | 28.45 | 1.42 | 36.07 | 1.12 | 28.45 | 0.66 | 16.9 |
| DFE – 8 – 4P | 1/2 | 12.70 | Rc 1/4 | 0.41 | 10.41 | 13/16 | 20.6 | 1.02 | 25.90 | 1.42 | 36.07 | 0.88 | 22.40 | 0.90 | 22.9 |
| DFE – 8 – 6P | 1/2 | 12.70 | Rc 3/8 | 0.41 | 10.41 | 13/16 | 20.6 | 1.02 | 25.90 | 1.42 | 36.07 | 0.88 | 22.40 | 0.90 | 22.9 |
| DFE – 8 – 8P | 1/2 | 12.70 | Rc 1/2 | 0.41 | 10.41 | 1 | 25.4 | 1.12 | 28.44 | 1.53 | 38.86 | 1.13 | 28.70 | 0.90 | 22.9 |
| DFE – 10 – 6P | 5/8 | 15.87 | Rc 3/8 | 0.50 | 12.70 | 15/16 | 23.8 | 1.10 | 27.90 | 1.50 | 38.10 | 0.88 | 22.40 | 0.96 | 24.4 |
| DFE – 10 – 8P | 5/8 | 15.87 | Rc 1/2 | 0.50 | 12.70 | 1-1/16 | 27.0 | 1.17 | 29.70 | 1.57 | 39.86 | 1.12 | 28.45 | 0.96 | 24.4 |
| DFE – 12 – 8P | 3/4 | 19.05 | Rc 1/2 | 0.62 | 15.74 | 1-1/16 | 27.0 | 1.17 | 29.70 | 1.57 | 39.86 | 1.12 | 28.45 | 0.96 | 24.5 |
| DFE – 12 – 12P | 3/4 | 19.05 | Rc 3/4 | 0.62 | 15.74 | 1-3/8 | 34.9 | 1.25 | 31.75 | 1.76 | 44.70 | 1.25 | 31.75 | 0.96 | 24.5 |
| DFE – 14 – 12P | 7/8 | 22.22 | Rc 3/4 | 0.72 | 18.28 | 1-3/8 | 34.9 | 1.25 | 31.75 | 1.76 | 44.70 | 1.25 | 31.75 | 1.02 | 25.9 |
| DFE – 16 – 12P | 1 | 25.40 | Rc 3/4 | 0.88 | 22.35 | 1-3/8 | 34.9 | 1.25 | 31.75 | 1.93 | 49.02 | 1.25 | 31.75 | 1.23 | 31.2 |
| DFE – 16 – 16P | 1 | 25.40 | Rc 1 | 0.88 | 22.35 | 1-11/16 | 42.9 | 1.50 | 38.10 | 2.11 | 53.59 | 1.50 | 38.10 | 1.23 | 31.2 |
“D” – Dimension is minimum opening – dimensions are for reference only, and are subject to change without notice.