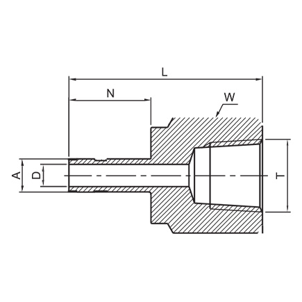
FEMALE TUBE ADAPTER
DFTA
| TUBE (METRIC) FEMALE PIPE | ||||||
| PART NUMBER | A TUBE O.D. | T NPT | D | W HEX FLAT | N | L |
| mm | in | mm | mm | mm | mm | |
| DFTA – 3M – 2N | 3 | 1/8 | 2.1 | 14 | 13.5 | 31.5 |
| DFTA – 3M – 4N | 3 | 1/4 | 2.1 | 19 | 13.5 | 35.3 |
| DFTA – 4M – 4N | 4 | 1/4 | 2.2 | 19 | 14.2 | 35.0 |
| DFTA – 6M – 2N | 6 | 1/8 | 4.0 | 14 | 15.7 | 32.5 |
| DFTA – 6M – 4N | 6 | 1/4 | 4.0 | 19 | 15.7 | 36.5 |
| DFTA – 6M – 6N | 6 | 3/8 | 4.0 | 22 | 15.7 | 39.6 |
| DFTA – 6M – 8N | 6 | 1/2 | 4.0 | 27 | 15.7 | 45.5 |
| DFTA – 8M – 2N | 8 | 1/8 | 5.6 | 14 | 16.9 | 34.3 |
| DFTA – 8M – 4N | 8 | 1/4 | 5.6 | 19 | 16.9 | 37.6 |
| DFTA – 8M – 8N | 8 | 1/2 | 5.6 | 27 | 16.9 | 46.0 |
| DFTA – 10M – 4N | 10 | 1/4 | 7.1 | 19 | 17.6 | 38.1 |
| DFTA – 10M – 6N | 10 | 3/8 | 7.1 | 22 | 17.6 | 40.1 |
| DFTA – 10M – 8N | 10 | 1/2 | 7.7 | 27 | 17.6 | 46.5 |
| DFTA – 12M – 4N | 12 | 1/4 | 8.8 | 19 | 23.3 | 43.4 |
| DFTA – 12M – 6N | 12 | 3/8 | 8.8 | 22 | 23.3 | 45.5 |
| DFTA – 12M – 8N | 12 | 1/2 | 8.8 | 27 | 23.3 | 52.3 |
| DFTA – 16M – 6N | 16 | 3/8 | 12.7 | 24 | 24.7 | 48.0 |
| DFTA – 16M – 8N | 16 | 1/2 | 12.7 | 27 | 24.7 | 53.1 |
| DFTA – 20M – 8N | 20 | 1/2 | 15.1 | 27 | 26.6 | 56.0 |
| DFTA – 20M – 12N | 20 | 3/4 | 15.1 | 35 | 26.6 | 56.0 |
| TUBE (INCH) FEMALE PIPE NPT THREAD | |||||||||||
| PART NUMBER | A TUBE O.D. | T NPT | D | W HEX FLAT | N | L | |||||
| in | mm | in | in | mm | in | mm | in | mm | in | mm | |
| DFTA – 2 – 2N | 1/8 | 3.17 | 1/8 | 0.08 | 2.2 | 9/16 | 14.3 | 0.53 | 13.5 | 1.24 | 31.5 |
| DFTA – 2 – 4N | 1/8 | 3.17 | 1/4 | 0.08 | 2.2 | 3/4 | 19.1 | 0.53 | 13.5 | 1.39 | 35.3 |
| DFTA – 3 – 4N | 3/16 | 4.76 | 1/4 | 0.12 | 3.0 | 3/4 | 19.1 | 0.56 | 14.2 | 1.41 | 35.8 |
| DFTA – 4 – 2N | 1/4 | 6.35 | 1/8 | 0.17 | 4.2 | 9/16 | 14.3 | 0.62 | 15.7 | 1.30 | 33.0 |
| DFTA – 4 – 4N | 1/4 | 6.35 | 1/4 | 0.17 | 4.2 | 3/4 | 19.1 | 0.62 | 15.7 | 1.46 | 37.1 |
| DFTA – 4 – 6N | 1/4 | 6.35 | 3/8 | 0.17 | 4.2 | 7/8 | 22.2 | 0.62 | 15.7 | 1.55 | 39.4 |
| DFTA – 4 – 8N | 1/4 | 6.35 | 1/2 | 0.17 | 4.2 | 1-1/16 | 27.0 | 0.62 | 15.7 | 1.79 | 45.5 |
| DFTA – 5 – 4N | 5/16 | 7.93 | 1/4 | 0.24 | 6.0 | 3/4 | 19.1 | 0.67 | 16.9 | 1.48 | 37.6 |
| DFTA – 6 – 2N | 3/8 | 9.52 | 1/8 | 0.27 | 6.85 | 9/16 | 14.3 | 0.69 | 17.5 | 1.35 | 34.3 |
| DFTA – 6 – 4N | 3/8 | 9.52 | 1/4 | 0.27 | 6.85 | 3/4 | 19.1 | 0.69 | 17.5 | 1.50 | 38.1 |
| DFTA – 6 – 6N | 3/8 | 9.52 | 3/8 | 0.27 | 6.85 | 7/8 | 22.2 | 0.69 | 17.5 | 1.59 | 40.4 |
| DFTA – 6 – 8N | 3/8 | 9.52 | 1/2 | 0.27 | 6.85 | 1-1/16 | 27.0 | 0.69 | 17.5 | 1.84 | 46.7 |
| DFTA – 8 – 4N | 1/2 | 12.70 | 1/4 | 0.37 | 9.4 | 3/4 | 19.1 | 0.92 | 23.3 | 1.71 | 43.4 |
| DFTA – 8 – 6N | 1/2 | 12.70 | 3/8 | 0.37 | 9.4 | 7/8 | 22.2 | 0.92 | 23.3 | 1.79 | 45.5 |
| DFTA – 8 – 8N | 1/2 | 12.70 | 1/2 | 0.37 | 9.4 | 1-1/16 | 27.0 | 0.92 | 23.3 | 2.04 | 51.8 |
| DFTA – 10 – 8N | 5/8 | 15.87 | 1/2 | 0.50 | 12.7 | 1-1/16 | 27.0 | 0.97 | 24.7 | 2.09 | 53.1 |
| DFTA – 12 – 8N | 3/4 | 19.05 | 1/2 | 0.59 | 15.0 | 1-1/16 | 27.0 | 0.97 | 24.7 | 2.08 | 52.8 |
| DFTA – 12 – 12N | 3/4 | 19.05 | 3/4 | 0.59 | 15.0 | 1-5/16 | 33.3 | 0.97 | 24.7 | 2.16 | 54.9 |
| DFTA – 12 – 16N | 3/4 | 19.05 | 1 | 0.59 | 15.0 | 1-5/8 | 41.3 | 0.97 | 24.7 | 2.30 | 58.4 |
| DFTA – 16 – 12N | 1 | 25.40 | 3/4 | 0.80 | 20.3 | 1-5/16 | 33.3 | 1.30 | 33.0 | 2.39 | 60.7 |
| DFTA – 16 – 16N | 1 | 25.4 | 1 | 0.8 | 20.3 | 1-5/8 | 41.3 | 1.3 | 33 | 2.53 | 64.3 |
| DFTA – 20 – 20N | 1-1/4 | 31.75 | 1-1/4 | 1.02 | 25.9 | 2-1/8 | 54 | 1.72 | 43.9 | 3.06 | 77.7 |
| DFTA – 24 – 24N | 1-1/2 | 38.1 | 1-1/2 | 1.25 | 31.8 | 2-3/8 | 60.3 | 2.06 | 52.5 | 3.5 | 88.9 |
| DFTA – 32- 32N | 2 | 50.8 | 2 | 1.72 | 43.7 | 2-7/8 | 73.03 | 2.73 | 69.4 | 4.22 | 107.44 |
| TUBE (INCH) FEMALE PIPE ISO TAPERED THREAD | |||||||||||
| PART NUMBER | A TUBE O.D. | T ISO | D | W HEX FLAT | N | L | |||||
| in | mm | in | in | mm | in | mm | in | mm | in | mm | |
| DFTA – 2 – 2P | 1/8 | 3.17 | Rc 1/8 | 0.08 | 2.2 | 9/16 | 14.3 | 0.53 | 13.5 | 1.24 | 31.5 |
| DFTA – 2 – 4P | 1/8 | 3.17 | Rc 1/4 | 0.08 | 2.2 | 3/4 | 19.1 | 0.53 | 13.5 | 1.39 | 35.3 |
| DFTA – 3 – 4P | 3/16 | 4.76 | Rc 1/4 | 0.12 | 3.0 | 3/4 | 19.1 | 0.56 | 14.2 | 1.41 | 35.8 |
| DFTA – 4 – 2P | 1/4 | 6.35 | Rc 1/8 | 0.17 | 4.2 | 9/16 | 14.3 | 0.62 | 15.7 | 1.30 | 33.0 |
| DFTA – 4 – 4P | 1/4 | 6.35 | Rc 1/4 | 0.17 | 4.2 | 3/4 | 19.1 | 0.62 | 15.7 | 1.46 | 37.1 |
| DFTA – 4 – 6P | 1/4 | 6.35 | Rc 3/8 | 0.17 | 4.2 | 7/8 | 22.2 | 0.62 | 15.7 | 1.55 | 39.4 |
| DFTA – 4 – 8P | 1/4 | 6.35 | Rc 1/2 | 0.17 | 4.2 | 1-1/16 | 27.0 | 0.62 | 15.7 | 1.79 | 45.5 |
| DFTA – 5 – 4P | 5/16 | 7.93 | Rc 1/4 | 0.24 | 6.0 | 3/4 | 19.1 | 0.67 | 16.9 | 1.48 | 37.6 |
| DFTA – 6 – 2P | 3/8 | 9.52 | Rc 1/8 | 0.27 | 6.85 | 9/16 | 14.3 | 0.69 | 17.5 | 1.35 | 34.3 |
| DFTA – 6 – 4P | 3/8 | 9.52 | Rc 1/4 | 0.27 | 6.85 | 3/4 | 19.1 | 0.69 | 17.5 | 1.50 | 38.1 |
| DFTA – 6 – 6P | 3/8 | 9.52 | Rc 3/8 | 0.27 | 6.85 | 7/8 | 22.2 | 0.69 | 17.5 | 1.59 | 40.4 |
| DFTA – 6 – 8P | 3/8 | 9.52 | Rc 1/2 | 0.27 | 6.85 | 1-1/16 | 27.0 | 0.69 | 17.5 | 1.84 | 46.7 |
| DFTA – 8 – 4P | 1/2 | 12.70 | Rc 1/4 | 0.37 | 9.4 | 3/4 | 19.1 | 0.92 | 23.3 | 1.71 | 43.4 |
| DFTA – 8 – 6P | 1/2 | 12.70 | Rc 3/8 | 0.37 | 9.4 | 7/8 | 22.2 | 0.92 | 23.3 | 1.79 | 45.5 |
| DFTA – 8 – 8P | 1/2 | 12.70 | Rc 1/2 | 0.37 | 9.4 | 1-1/16 | 27.0 | 0.92 | 23.3 | 2.04 | 51.8 |
| DFTA – 10 – 8P | 5/8 | 15.87 | Rc 1/2 | 0.50 | 12.7 | 1-1/16 | 27.0 | 0.97 | 24.7 | 2.09 | 53.1 |
| DFTA – 12 – 8P | 3/4 | 19.05 | Rc 1/2 | 0.59 | 15.0 | 1-1/16 | 27.0 | 0.97 | 24.7 | 2.08 | 52.8 |
| DFTA – 12 – 12P | 3/4 | 19.05 | Rc 3/4 | 0.59 | 15.0 | 1-5/16 | 33.3 | 0.97 | 24.7 | 2.16 | 54.9 |
| DFTA – 12 – 16P | 3/4 | 19.05 | Rc 1 | 0.59 | 15.0 | 1-5/8 | 41.3 | 0.97 | 24.7 | 2.30 | 58.4 |
| DFTA – 16 – 12P | 1 | 25.40 | Rc 3/4 | 0.80 | 20.3 | 1-5/16 | 33.3 | 1.30 | 33.0 | 2.39 | 60.7 |
| DFTA – 16 – 16P | 1 | 25.4 | Rc 1 | 0.8 | 20.3 | 1-5/8 | 41.3 | 1.3 | 33.0 | 2.53 | 64.3 |
| DFTA – 20 – 20P | 1-1/4 | 31.75 | Rc 1-1/4 | 1.02 | 25.9 | 2-1/8 | 54 | 1.72 | 43.9 | 3.06 | 77.7 |
| DFTA – 24 – 24P | 1-1/2 | 38.1 | Rc 1-1/2 | 1.25 | 31.8 | 2-3/8 | 60.3 | 2.06 | 52.5 | 3.5 | 88.9 |
| DFTA – 32- 32P | 2 | 50.8 | Rc 2 | 1.72 | 43.7 | 2-7/8 | 73.03 | 2.73 | 69.4 | 4.22 | 107.44 |
“D” – Dimension is minimum opening – dimensions are for reference only, and are subject to change without notice.