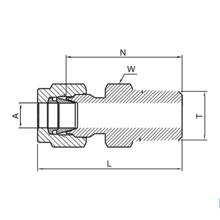
MALE CONNECTOR –NTC THERMOCOUPLE CONNECTOR

TUBE (INCH) MALE NPT THREAD
PART NUMBER A TUBE O.D. T NPT  W HEX. FLAT N L
  in mm in in mm in mm in mm
DMC – 1 – 2NTC 1/16 1.58 1/8 7/16 11.1 0.88 22.35 1.03 26.10
DMC – 2 – 2NTC 1/8 3.17 1/8 7/16 11.1 0.94 23.90 1.20 30.48
DMC – 2 – 4NTC 1/8 3.17 1/4 9/16 14.3 1.14 28.95 1.40 35.56
DMC – 3 – 2NTC 3/16 4.76 1/8 7/16 11.1 0.97 24.53 1.23 36.24
DMC – 3 – 4NTC 3/16 4.76 1/4 9/16 14.3 1.17 29.72 1.43 36.32
DMC – 4 – 2NTC 1/4 6.35 1/8 1/2 12.7 1.00 25.40 1.29 32.76
DMC – 4 – 4NTC 1/4 6.35 1/4 9/16 14.3 1.20 30.50 1.49 37.85
DMC – 4 – 6NTC 1/4 6.35 3/8 11/16 17.5 1.22 31.00 1.51 38.35
DMC – 4 – 8NTC 1/4 6.35 1/2 7/8 22.2 1.47 37.34 1.76 44.70
DMC – 5 – 4NTC 5/16 7.93 4/1 9/16 14.3 1.23 31.24 1.52 38.60
DMC – 6 – 4NTC 3/8 9.52 4/1 5/8 15.9 1.28 32.51 1.57 39.87
DMC – 6 – 6NTC 3/8 9.52 3/8 11/16 17.5 1.28 32.51 1.57 39.87
DMC – 6 – 8NTC 3/8 9.52 1/2 7/8 22.2 1.52 38.90 1.82 46.23
DMC – 6 – 12NTC 3/8 9.52 3/4 1-1/16 27.0 1.59 40.38 1.88 47.75
DMC – 8 – 8NTC 1/2 12.70 1/2 7/8 22.2 1.53 38.90 1.93 49.02
DMC – 8 – 12NTC 1/2 12.70 3/4 1-1/16 27.0 1.59 40.38 1.99 50.54
DMC – 10 – 12NTC 5/8 15.87 3/4 1-1/16 27.0 1.59 40.38 1.99 50.54
DMC – 12 – 12NTC 3/4 19.05 3/4 1-1/16 27.0 1.59 40.38 1.99 50.54
DMC – 16 – 16NTC 1 25.40 1 1-3/8 34.9 1.97 50.03 2.45 62.23
Bored-Through Fittings for Thermocouples, Dip Tubes, and Heat Exchanger Tees