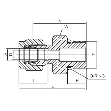
MALE CONNECTOR
DMC-SR
| SAE / MS STRAIGHT THREAD BOSS* | ||||||||||||||||
| PART NUMBER | A TUBE O.D. | T (UNIFIED) | D | W HEX. FLAT | N | H | L | I | O-RING | |||||||
| in | mm | in | in | mm | in | mm | in | mm | in | mm | in | mm | in | mm | ||
| DMC – 2 – 2SR | 1/8 | 3.17 | 5/16-24 | 0.09 | 2.28 | 7/16 | 11.1 | 0.92 | 23.37 | 0.30 | 7.62 | 1.18 | 29.97 | 0.50 | 12.7 | -902 |
| DMC – 4 – 4SR | 1/4 | 6.35 | 7/16-20 | 0.19 | 4.82 | 9/16 | 14.3 | 1.05 | 26.67 | 0.36 | 9.14 | 1.34 | 34.03 | 0.60 | 15.3 | -904 |
| DMC – 4 – 6SR | 1/4 | 6.35 | 9/16-18 | 0.19 | 4.82 | 11/16 | 17.5 | 1.11 | 28.19 | 0.39 | 9.90 | 1.40 | 35.56 | 0.60 | 15.3 | -906 |
| DMC – 4 – 8SR | 1/4 | 6.35 | 3/4-16 | 0.19 | 4.82 | 7/8 | 22.2 | 1.19 | 30.20 | 0.44 | 11.17 | 1.48 | 37.59 | 0.60 | 15.3 | -908 |
| DMC – 4 – 10SR | 1/4 | 6.35 | 7/8-14 | 0.19 | 4.82 | 1 | 25.4 | 1.31 | 33.27 | 0.50 | 12.70 | 1.60 | 40.64 | 0.60 | 15.3 | -910 |
| DMC – 5 – 5SR | 5/16 | 7.93 | 1/2-20 | 0.25 | 6.40 | 5/8 | 15.9 | 1.08 | 27.43 | 0.36 | 9.14 | 1.37 | 34.80 | 0.64 | 16.2 | -905 |
| DMC – 6 – 4SR | 3/8 | 9.52 | 7/16-20 | 0.20 | 5.10 | 5/8 | 15.9 | 1.11 | 28.19 | 0.36 | 9.14 | 1.40 | 35.56 | 0.66 | 16.9 | -904 |
| DMC – 6 – 6SR | 3/8 | 9.52 | 9/16-18 | 0.28 | 7.11 | 11/16 | 17.5 | 1.17 | 29.71 | 0.39 | 9.90 | 1.46 | 37.08 | 0.66 | 16.9 | -906 |
| DMC – 6 – 8SR | 3/8 | 9.52 | 3/4-16 | 0.28 | 7.11 | 7/8 | 22.2 | 1.25 | 31.75 | 0.44 | 11.17 | 1.54 | 39.11 | 0.66 | 16.9 | -908 |
| DMC – 6 – 10SR | 3/8 | 9.52 | 7/8-14 | 0.28 | 7.11 | 1 | 25.4 | 1.37 | 34.80 | 0.50 | 12.70 | 1.66 | 42.16 | 0.66 | 16.9 | -910 |
| DMC – 8 – 6SR | 1/2 | 12.70 | 9/16-18 | 0.28 | 7.11 | 13/16 | 20.6 | 1.14 | 28.95 | 0.39 | 9.90 | 1.54 | 39.11 | 0.90 | 22.9 | -906 |
| DMC – 8 – 8SR | 1/2 | 12.70 | 3/4-16 | 0.41 | 10.41 | 7/8 | 22.2 | 1.25 | 31.75 | 0.44 | 11.17 | 1.65 | 41.91 | 0.90 | 22.9 | -908 |
| DMC – 8 – 10SR | 1/2 | 12.70 | 7/8-14 | 0.41 | 10.41 | 1 | 25.4 | 1.37 | 34.80 | 0.50 | 12.70 | 1.77 | 44.96 | 0.90 | 22.9 | -910 |
| DMC – 8 – 12SR | 1/2 | 12.70 | 1-1/16-12 | 0.41 | 10.41 | 1-1/4 | 31.8 | 1.53 | 38.86 | 0.59 | 14.98 | 1.93 | 49.02 | 0.90 | 22.9 | -912 |
| DMC – 10 – 8SR | 5/8 | 15.87 | 3/4-16 | 0.42 | 10.66 | 15/16 | 23.8 | 1.25 | 31.75 | 0.44 | 11.17 | 1.65 | 41.91 | 0.96 | 24.4 | -908 |
| DMC – 10 – 10SR | 5/8 | 15.87 | 7/8-14 | 0.50 | 12.70 | 1 | 25.4 | 1.38 | 35.05 | 0.50 | 12.70 | 1.78 | 45.21 | 0.96 | 24.4 | -910 |
| DMC – 12 – 8SR | 3/4 | 19.05 | 3/4-16 | 0.42 | 10.66 | 1-1/16 | 27.0 | 1.41 | 35.81 | 0.44 | 11.17 | 1.81 | 46.00 | 0.96 | 24.5 | -908 |
| DMC – 12 – 12SR | 3/4 | 19.05 | 1-1/16-12 | 0.62 | 15.74 | 1-1/4 | 31.8 | 1.53 | 38.86 | 0.59 | 14.98 | 1.93 | 49.02 | 0.96 | 24.5 | -912 |
| DMC – 14 – 14SR | 7/8 | 22.22 | 1-3/16-12 | 0.72 | 18.29 | 1-3/8 | 34.9 | 1.53 | 38.86 | 0.59 | 14.98 | 1.93 | 49.02 | 1.02 | 25.9 | -914 |
| DMC – 16 – 12SR | 1 | 25.40 | 1-1/16-12 | 0.66 | 16.76 | 1-3/8 | 34.9 | 1.62 | 41.20 | 0.59 | 14.98 | 2.10 | 53.34 | 1.23 | 31.2 | -912 |
| DMC – 16 – 16SR | 1 | 25.40 | 1-5/16-12 | 0.88 | 22.35 | 1-1/2 | 38.1 | 1.66 | 42.16 | 0.59 | 14.98 | 2.14 | 54.35 | 1.23 | 31.2 | -916 |
| DMC – 20 – 20SR | 1-1/4 | 31.75 | 1-5/8-12 | 1.09 | 27.70 | 1-7/8 | 47.6 | 1.82 | 46.23 | 0.59 | 15.10 | 2.69 | 68.33 | 1.62 | 41.2 | -920 |
| DMC – 24 – 24SR | 1-1/2 | 38.10 | 1-7/8-12 | 1.34 | 34.00 | 2-1/8 | 54.0 | 1.99 | 50.55 | 0.59 | 15.10 | 3.06 | 77.72 | 1.97 | 50.0 | -924 |
| DMC – 32 – 32SR | 2 | 50.80 | 2-1/2-12 | 1.81 | 45.97 | 2-3/4 | 69.9 | 2.53 | 64.26 | 0.59 | 15.10 | 4.00 | 101.60 | 2.66 | 67.6 | -932 |
“D” – Dimension is minimum opening – dimensions are for reference only, and are subject to change without notice.
*SAE J 1926 and MS See page 61 for mounting dimensions.
** O-Rings used are KFM (Viton®) 90 Durometer. Other O-Ring material are available on request.