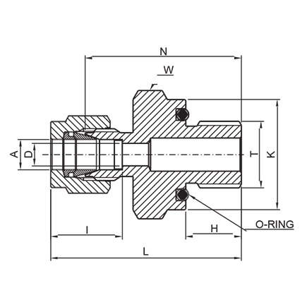
MALE CONNECTOR
DMC-NOR
| O-SEAL NPT TAPERED THREAD | ||||||||||||||||||
| PART NUMBER | A TUBE O.D. | T NPT SHORT | D | K | W HEX.FLAT | N | H | L | I | O-RING* | ||||||||
| in | mm | in | in | mm | in | mm | in | mm | in | mm | in | mm | in | mm | in | mm | ||
| DMC – 2 – 2NOR | 1/8 | 3.17 | 1/8 | 0.09 | 2.28 | 0.74 | 18.79 | 3/4 | 19.1 | 1.03 | 26.16 | 0.28 | 7.11 | 1.29 | 32.76 | 0.50 | 12.7 | -111 |
| DMC – 4 – 2NOR | 1/4 | 6.35 | 1/8 | 0.19 | 4.82 | 0.74 | 18.79 | 3/4 | 19.1 | 1.09 | 27.70 | 0.28 | 7.11 | 1.38 | 35.05 | 0.60 | 15.3 | -111 |
| DMC – 4 – 4NOR | 1/4 | 6.35 | 1/4 | 0.19 | 4.82 | 0.93 | 23.62 | 15/16 | 23.8 | 1.22 | 31.00 | 0.38 | 9.65 | 1.51 | 38.40 | 0.60 | 15.3 | -113 |
| DMC – 6 – 4NOR | 3/8 | 9.52 | 1/4 | 0.28 | 7.11 | 0.93 | 23.62 | 15/16 | 23.8 | 1.28 | 32.51 | 0.38 | 9.65 | 1.57 | 39.88 | 0.66 | 16.9 | -113 |
| DMC – 6 – 6NOR | 3/8 | 9.52 | 3/8 | 0.28 | 7.11 | 1.12 | 28.45 | 1-1/8 | 28.6 | 1.34 | 34.04 | 0.41 | 10.41 | 1.63 | 41.40 | 0.66 | 16.9 | -116 |
| DMC – 6 – 8NOR | 3/8 | 9.52 | 1/2 | 0.28 | 7.11 | 1.30 | 33.02 | 1-5/16 | 33.3 | 1.56 | 39.62 | 0.53 | 13.46 | 1.85 | 46.99 | 0.66 | 16.9 | -212 |
| DMC – 8 – 8NOR | 1/2 | 12.70 | 1/2 | 0.41 | 10.41 | 1.30 | 33.02 | 1-5/16 | 33.3 | 1.56 | 39.62 | 0.53 | 13.46 | 1.96 | 49.78 | 0.90 | 22.9 | -212 |
Copyright © 2023 All Rights Reserved. DLOK ENGINEERING PVT. LTD.