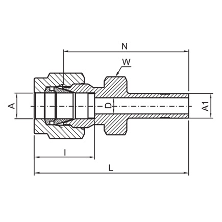
REDUCER – DR
| TUBE (METRIC) TO STUB (METRIC) | |||||||
| PART NUMBER | A TUBE O.D. | A1 TUBE O.D. | D | W HEX FLAT | N | L | I |
| mm | mm | mm | mm | mm | mm | mm | |
| DR – 2M – 3M | 2 | 3 | 1.7 | 12 | 26.9 | 33.5 | 12.9 |
| DR – 3M – 4M | 3 | 4 | 2.4 | 12 | 28.4 | 35.0 | 12.9 |
| DR – 3M – 6M | 3 | 6 | 2.4 | 12 | 29.5 | 36.1 | 12.9 |
| DR – 3M – 10M | 3 | 10 | 2.4 | 14 | 31.8 | 38.4 | 12.9 |
| DR – 4M – 6M | 4 | 6 | 2.4 | 12 | 30.5 | 37.1 | 13.7 |
| DR – 6M – 3M | 6 | 3 | 1.8 | 14 | 29.5 | 36.9 | 15.3 |
| DR – 6M – 8M | 6 | 8 | 4.8 | 14 | 32.5 | 39.9 | 15.3 |
| DR – 6M – 10M | 6 | 10 | 4.8 | 14 | 33.3 | 40.7 | 15.3 |
| DR – 6M – 12M | 6 | 12 | 4.8 | 14 | 38.9 | 46.3 | 15.3 |
| DR – 6M – 18M | 6 | 18 | 4.8 | 22 | 42.2 | 49.6 | 15.3 |
| DR – 8M – 6M | 8 | 6 | 4.0 | 15 | 32.8 | 40.3 | 16.2 |
| DR – 8M – 10M | 8 | 10 | 6.4 | 15 | 34.5 | 42.0 | 16.2 |
| DR – 8M – 12M | 8 | 12 | 6.4 | 15 | 40.1 | 47.6 | 16.2 |
| DR – 10M – 6M | 10 | 6 | 4.0 | 18 | 34.8 | 42.4 | 17.2 |
| DR – 10M – 8M | 10 | 8 | 5.6 | 18 | 35.8 | 43.4 | 17.2 |
| DR – 10M – 12M | 10 | 12 | 7.9 | 18 | 42.2 | 49.8 | 17.2 |
| DR – 10M – 15M | 10 | 15 | 7.9 | 18 | 43.7 | 51.3 | 17.2 |
| DR – 10M – 18M | 10 | 18 | 7.9 | 22 | 43.7 | 51.3 | 17.2 |
| DR – 12M – 6M | 12 | 6 | 4.0 | 22 | 34.8 | 44.9 | 22.8 |
| DR – 12M – 10M | 12 | 10 | 7.7 | 22 | 36.6 | 46.7 | 22.8 |
| DR – 12M – 16M | 12 | 16 | 9.5 | 22 | 43.7 | 53.8 | 22.8 |
| DR – 12M – 18M | 12 | 18 | 9.5 | 22 | 43.7 | 53.8 | 22.8 |
| DR – 12M – 20M | 12 | 20 | 9.5 | 22 | 46.0 | 56.1 | 22.8 |
| DR – 12M – 22M | 12 | 22 | 9.5 | 24 | 46.0 | 46.1 | 22.8 |
| DR – 12M – 25M | 12 | 25 | 9.5 | 27 | 52.3 | 62.4 | 22.8 |
| DR – 16M – 12M | 16 | 12 | 9.1 | 24 | 42.9 | 53.0 | 24.4 |
| DR – 18M – 12M | 18 | 12 | 9.1 | 27 | 44.5 | 54.6 | 24.4 |
| DR – 18M – 16M | 18 | 16 | 12.7 | 27 | 46.0 | 56.1 | 24.4 |
| DR – 18M – 20M | 18 | 20 | 15.1 | 27 | 47.5 | 57.6 | 24.4 |
| DR – 18M – 22M | 18 | 22 | 15.1 | 27 | 47.5 | 57.6 | 24.4 |
| DR – 18M – 25M | 18 | 25 | 15.1 | 27 | 52.3 | 62.4 | 24.4 |
| DR – 20M – 16M | 20 | 16 | 12.7 | 30 | 47.8 | 57.9 | 26.0 |
| DR – 20M – 18M | 20 | 18 | 13.9 | 30 | 47.8 | 57.9 | 26.0 |
| DR – 20M – 22M | 20 | 22 | 15.8 | 30 | 49.3 | 59.4 | 26.0 |
| DR – 20M – 25M | 20 | 25 | 15.9 | 30 | 54.1 | 64.2 | 26.0 |
| DR – 22M – 18M | 22 | 18 | 13.9 | 30 | 47.8 | 57.9 | 26.0 |
| DR – 22M – 20M | 22 | 20 | 15.1 | 30 | 49.3 | 59.4 | 26.0 |
| DR – 22M – 25M | 22 | 25 | 18.3 | 30 | 54.1 | 64.2 | 26.0 |
| DR – 25M – 18M | 25 | 18 | 13.9 | 35 | 50.8 | 63.1 | 31.3 |
| DR – 25M – 20M | 25 | 20 | 15.1 | 35 | 52.3 | 64.6 | 31.3 |
| TUBE (METRIC) TO STUB (INCH) | |||||||
| PART NUMBER | A TUBE O.D. | A1 TUBE O.D. | D | W HEX FLAT | N | L | I |
| mm | mm | mm | mm | mm | mm | mm | |
| DR – 2M – 2 | 2 | 1/8 | 1.7 | 12 | 26.9 | 33.5 | 12.9 |
| DR – 3M – 2 | 3 | 1/8 | 2.0 | 12 | 26.9 | 33.5 | 12.9 |
| DR – 3M – 4 | 3 | 1/4 | 2.4 | 12 | 29.5 | 36.1 | 12.9 |
| DR – 4M – 4 | 4 | 1/4 | 2.4 | 12 | 30.5 | 37.1 | 13.7 |
| DR – 6M – 2 | 6 | 1/8 | 2.2 | 14 | 29.5 | 36.9 | 15.3 |
| DR – 6M – 5 | 6 | 5/16 | 4.8 | 14 | 32.5 | 39.9 | 15.3 |
| DR – 6M – 6 | 6 | 3/8 | 4.8 | 14 | 33.3 | 40.7 | 15.3 |
| DR – 6M – 8 | 6 | 1/2 | 4.8 | 14 | 38.9 | 46.3 | 15.3 |
| DR – 8M – 6 | 8 | 3/8 | 6.4 | 15 | 34.5 | 42.0 | 16.2 |
| DR – 8M – 8 | 8 | 1/2 | 6.4 | 15 | 40.1 | 47.6 | 16.2 |
| DR – 10M – 6 | 10 | 3/8 | 7.1 | 18 | 36.6 | 44.2 | 17.2 |
| DR – 10M – 8 | 10 | 1/2 | 7.9 | 18 | 42.2 | 49.8 | 17.2 |
| DR – 12M – 8 | 12 | 1/2 | 9.5 | 22 | 42.2 | 52.3 | 22.8 |
| DR – 12M – 12 | 12 | 3/4 | 9.5 | 22 | 43.7 | 53.8 | 22.8 |
| DR – 18M – 12 | 18 | 3/4 | 15.1 | 27 | 46.0 | 56.1 | 24.4 |
| DR – 18M – 16 | 18 | 1 | 15.1 | 27 | 52.3 | 62.4 | 24.4 |
| DR – 25M – 16 | 25 | 1 | 20.2 | 35 | 57.2 | 69.4 | 31.3 |
| TUBE (INCH) TO STUB (INCH) | ||||||||||||||
| PART NUMBER | A TUBE O.D. | A1 TUBE O.D. | D | W HEX. FLAT | N | L | I | |||||||
| in | mm | in | mm | in | mm | in | mm | in | mm | in | mm | in | mm | |
| DR – 1 – 2 | 1/16 | 1.58 | 1/8 | 3.17 | 0.05 | 1.27 | 5/16 | 7.9 | 1.00 | 25.40 | 1.15 | 29.21 | 0.34 | 8.6 |
| DR – 1 – 4 | 1/16 | 1.58 | 1/4 | 6.35 | 0.05 | 1.27 | 5/16 | 7.9 | 1.09 | 27.68 | 1.24 | 31.50 | 0.34 | 8.6 |
| DR – 2 – 1 | 1/8 | 3.17 | 1/16 | 1.58 | 0.03 | 0.76 | 7/16 | 11.1 | 0.88 | 22.35 | 1.14 | 28.96 | 0.50 | 12.7 |
| DR – 2 – 3 | 1/8 | 3.17 | 3/16 | 4.76 | 0.09 | 2.28 | 7/16 | 11.1 | 1.09 | 27.68 | 1.35 | 34.29 | 0.50 | 12.7 |
| DR – 2 – 4 | 1/8 | 3.17 | 1/4 | 6.35 | 0.09 | 2.28 | 7/16 | 11.1 | 1.16 | 29.46 | 1.42 | 36.06 | 0.50 | 12.7 |
| DR – 2 – 6 | 1/8 | 3.17 | 3/8 | 9.52 | 0.09 | 2.28 | 7/16 | 11.1 | 1.22 | 30.98 | 1.48 | 37.59 | 0.50 | 12.7 |
| DR – 2 – 8 | 1/8 | 3.17 | 1/2 | 12.70 | 0.09 | 2.28 | 9/16 | 14.3 | 1.48 | 37.59 | 1.74 | 44.20 | 0.50 | 12.7 |
| DR – 3 – 2 | 3/16 | 4.76 | 1/8 | 3.17 | 0.08 | 2.03 | 7/16 | 11.1 | 1.11 | 28.19 | 1.37 | 34.80 | 0.54 | 13.7 |
| DR – 3 – 4 | 3/16 | 4.76 | 1/4 | 6.35 | 0.12 | 3.04 | 7/16 | 11.1 | 1.20 | 30.48 | 1.46 | 37.08 | 0.60 | 13.7 |
| DR – 4 – 2 | 1/4 | 6.35 | 1/8 | 3.17 | 0.08 | 2.03 | 1/2 | 12.7 | 1.16 | 29.46 | 1.45 | 36.83 | 0.60 | 15.3 |
| DR – 4 – 3 | 1/4 | 6.35 | 3/16 | 4.76 | 0.12 | 3.04 | 1/2 | 12.7 | 1.19 | 30.22 | 1.48 | 37.59 | 0.60 | 15.3 |
| DR – 4 – 4 | 1/4 | 6.35 | 1/4 | 6.35 | 0.17 | 4.20 | 1/2 | 12.7 | 1.25 | 31.75 | 1.54 | 39.11 | 0.60 | 15.3 |
| DR – 4 – 5 | 1/4 | 6.35 | 5/16 | 7.93 | 0.19 | 4.82 | 1/2 | 12.7 | 1.28 | 32.51 | 1.57 | 39.87 | 0.60 | 15.3 |
| DR – 4 – 6 | 1/4 | 6.35 | 3/8 | 9.52 | 0.19 | 4.82 | 1/2 | 12.7 | 1.31 | 33.27 | 1.60 | 40.64 | 0.60 | 15.3 |
| DR – 4 – 8 | 1/4 | 6.35 | 1/2 | 12.70 | 0.19 | 4.82 | 9/16 | 14.3 | 1.53 | 38.86 | 1.82 | 46.22 | 0.60 | 15.3 |
| DR – 4 – 10 | 1/4 | 6.35 | 5/8 | 7.93 | 0.19 | 4.82 | 11/16 | 17.5 | 1.60 | 40.64 | 1.89 | 48.00 | 0.60 | 15.3 |
| DR – 4 – 12 | 1/4 | 6.35 | 3/4 | 19.05 | 0.19 | 4.82 | 13/16 | 20.6 | 1.59 | 40.39 | 1.88 | 47.75 | 0.60 | 15.3 |
| DR – 5 – 6 | 5/16 | 7.93 | 3/8 | 9.52 | 0.25 | 6.35 | 9/16 | 14.3 | 1.36 | 34.54 | 1.65 | 41.91 | 0.64 | 16.3 |
| DR – 5 – 8 | 5/16 | 7.93 | 1/2 | 12.70 | 0.25 | 6.35 | 9/16 | 14.3 | 1.58 | 40.13 | 1.87 | 47.49 | 0.64 | 16.3 |
| DR – 6 – 4 | 3/8 | 9.52 | 1/4 | 6.35 | 0.17 | 4.20 | 5/8 | 15.9 | 1.34 | 34.03 | 1.63 | 41.40 | 0.66 | 16.9 |
| DR – 6 – 6 | 3/8 | 9.52 | 3/8 | 9.52 | 0.28 | 7.11 | 5/8 | 15.9 | 1.41 | 35.81 | 1.70 | 43.18 | 0.66 | 16.9 |
| DR – 6 – 8 | 3/8 | 9.52 | 1/2 | 12.70 | 0.28 | 7.11 | 5/8 | 15.9 | 1.62 | 41.14 | 1.91 | 48.51 | 0.66 | 16.9 |
| DR – 6 – 10 | 3/8 | 9.52 | 5/8 | 15.87 | 0.28 | 7.11 | 11/16 | 17.5 | 1.69 | 42.92 | 1.98 | 50.29 | 0.66 | 16.9 |
| DR – 6 – 12 | 3/8 | 9.52 | 3/4 | 19.05 | 0.28 | 7.11 | 13/16 | 20.6 | 1.69 | 42.92 | 1.98 | 50.29 | 0.66 | 16.9 |
| DR – 8 – 4 | 1/2 | 12.70 | 1/4 | 6.35 | 0.19 | 4.82 | 13/16 | 20.6 | 1.37 | 34.80 | 1.77 | 44.96 | 0.90 | 22.9 |
| DR – 8 – 6 | 1/2 | 12.70 | 3/8 | 9.52 | 0.28 | 7.11 | 13/16 | 20.6 | 1.44 | 36.58 | 1.84 | 46.74 | 0.90 | 22.9 |
| DR – 8 – 8 | 1/2 | 12.70 | 1/2 | 12.70 | 0.39 | 9.91 | 13/16 | 20.6 | 1.66 | 42.16 | 2.06 | 52.32 | 0.90 | 22.9 |
| DR – 8 – 10 | 1/2 | 12.70 | 5/8 | 15.87 | 0.41 | 10.41 | 13/16 | 20.6 | 1.72 | 43.68 | 2.12 | 53.84 | 0.90 | 22.9 |
| DR – 8 – 12 | 1/2 | 12.70 | 3/4 | 19.05 | 0.41 | 10.41 | 13/16 | 20.6 | 1.72 | 43.68 | 2.12 | 53.84 | 0.90 | 22.9 |
| DR – 8 – 16 | 1/2 | 12.70 | 1 | 25.40 | 0.41 | 10.41 | 1-1/16 | 27.0 | 1.97 | 50.03 | 2.37 | 60.19 | 0.90 | 22.9 |
| DR – 10 – 12 | 5/8 | 15.87 | 3/4 | 19.05 | 0.50 | 12.70 | 1-5/16 | 23.8 | 1.75 | 44.45 | 2.15 | 54.61 | 0.96 | 24.4 |
| DR – 10 – 14 | 5/8 | 15.87 | 7/8 | 22.22 | 0.50 | 12.70 | 1-5/16 | 23.8 | 1.81 | 45.97 | 2.21 | 56.13 | 0.96 | 24.4 |
| DR – 10 – 16 | 5/8 | 15.87 | 1 | 25.40 | 0.50 | 12.70 | 1-1/16 | 27.0 | 2.00 | 50.80 | 2.40 | 60.96 | 0.96 | 24.4 |
| DR – 12 – 8 | 3/4 | 19.05 | 1/2 | 12.70 | 0.39 | 9.91 | 1-1/16 | 27.0 | 1.75 | 44.45 | 2.15 | 54.61 | 0.96 | 24.5 |
| DR – 12 – 16 | 3/4 | 19.05 | 1 | 25.40 | 0.62 | 15.75 | 1-1/16 | 27.0 | 2.06 | 52.32 | 2.46 | 62.48 | 0.96 | 24.5 |
| DR – 16 – 20 | 1 | 25.40 | 1-1/4 | 31.75 | 0.88 | 22.35 | 1-3/8 | 34.9 | 2.69 | 68.33 | 3.17 | 80.52 | 1.23 | 31.2 |
| DR – 16 – 24 | 1 | 25.40 | 1-1/2 | 38.10 | 0.88 | 22.35 | 1-5/8 | 41.3 | 3.03 | 76.96 | 3.51 | 89.15 | 1.23 | 31.2 |
| DR – 20 – 24 | 1-1/4 | 31.75 | 1-1/2 | 38.10 | 1.09 | 27.70 | 1-3/4 | 44.5 | 3.23 | 82.00 | 4.10 | 104.1 | 1.62 | 41.2 |