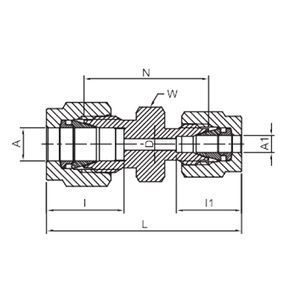
REDUCING UNION –DRU
|
TUBE (METRIC) TO TUBE (METRIC) |
||||||||
| Part Number | A Tube O.D. | A1 | D | W Hex. Flat | N | L | I | I1 |
| mm | mm | mm | mm | mm | mm | mm | mm | |
| DRU – 3M – 2M | 3 | 2 | 1.7 | 12 | 22.1 | 35.3 | 12.9 | 12.9 |
| DRU – 6M – 2M | 6 | 2 | 1.7 | 14 | 24.6 | 38.6 | 15.9 | 12.9 |
| DRU – 6M – 3M | 6 | 3 | 2.4 | 14 | 24.6 | 38.6 | 15.9 | 12.9 |
| DRU – 6M – 4M | 6 | 4 | 2.4 | 14 | 25.4 | 39.4 | 15.9 | 13.7 |
| DRU – 8M – 6M | 8 | 6 | 4.8 | 15 | 27.4 | 42.3 | 16.2 | 15.3 |
| DRU – 10M – 6M | 10 | 6 | 4.8 | 18 | 29.5 | 44.5 | 17.2 | 15.3 |
| DRU – 10M – 8M | 10 | 8 | 6.4 | 18 | 30.0 | 45.1 | 17.2 | 16.2 |
| DRU – 12M – 6M | 12 | 6 | 4.8 | 22 | 29.5 | 47.0 | 22.8 | 15.3 |
| DRU – 12M – 8M | 12 | 8 | 6.4 | 22 | 30.2 | 47.8 | 22.8 | 16.2 |
| DRU – 12M – 10M | 12 | 10 | 7.9 | 22 | 31.0 | 48.7 | 22.8 | 17.2 |
| DRU – 16M – 10M | 16 | 10 | 7.9 | 24 | 31.8 | 49.5 | 24.4 | 17.2 |
| DRU – 16M – 12M | 16 | 12 | 9.5 | 24 | 31.8 | 52.0 | 24.4 | 22.8 |
| DRU – 18M – 12M | 18 | 12 | 9.5 | 27 | 33.3 | 53.5 | 24.4 | 22.8 |
| DRU – 25M – 18M | 25 | 18 | 15.1 | 35 | 38.6 | 61.0 | 31.3 | 24.4 |
| DRU – 25M – 20M | 25 | 20 | 15.9 | 35 | 39.9 | 62.3 | 31.3 | 26.0 |
| Part Number | TUBE (METRIC) TO TUBE (INCH) | |||||||
| A Tube O.D. | A1 Tube O.D. | D | W Hex. flat | N | L | I | I1 | |
| mm | in | mm | mm | mm | mm | mm | mm | |
| DRU – 2M – 4 | 2 | 1/4 | 1.7 | 14 | 24.0 | 38.6 | 12.9 | 15.3 |
| DRU – 3M – 2 | 3 | 1/8 | 2.4 | 12 | 22.1 | 35.2 | 12.9 | 12.7 |
| DRU – 4M – 2 | 4 | 1/8 | 2.4 | 12 | 23.4 | 36.5 | 13.7 | 12.7 |
| DRU – 4M – 4 | 4 | 1/4 | 2.4 | 14 | 25.4 | 39.4 | 13.7 | 15.3 |
| DRU – 6M – 2 | 6 | 1/8 | 2.4 | 14 | 24.6 | 38.5 | 15.3 | 12.7 |
| DRU – 6M – 4 | 6 | 1/4 | 4.8 | 14 | 26.2 | 41.0 | 15.3 | 15.3 |
| DRU – 6M – 5 | 6 | 5/16 | 4.8 | 14 | 27.4 | 42.3 | 15.3 | 16.2 |
| DRU – 8M – 2 | 8 | 1/8 | 2.4 | 15 | 25.9 | 39.9 | 16.2 | 12.7 |
| DRU – 8M – 4 | 8 | 1/4 | 4.8 | 15 | 27.4 | 42.3 | 16.2 | 15.3 |
| DRU – 8M – 6 | 8 | 3/8 | 6.4 | 16 | 29.5 | 44.3 | 16.2 | 16.9 |
| DRU – 10M – 2 | 10 | 1/8 | 2.4 | 18 | 27.1 | 41.8 | 17.2 | 12.7 |
| DRU – 10M – 4 | 10 | 1/4 | 4.8 | 18 | 29.5 | 44.5 | 17.2 | 15.3 |
| DRU – 10M – 5 | 10 | 5/16 | 6.4 | 18 | 30.0 | 45.1 | 17.2 | 16.2 |
| DRU – 10M – 6 | 10 | 3/8 | 7.1 | 18 | 31.0 | 45.9 | 17.2 | 16.9 |
| DRU – 12M – 5 | 12 | 5/16 | 6.4 | 22 | 30.2 | 47.8 | 22.8 | 16.2 |
| DRU – 12M – 6 | 12 | 3/8 | 7.1 | 22 | 31.0 | 48.4 | 22.8 | 16.9 |
| DRU – 12M – 8 | 12 | 1/2 | 9.5 | 22 | 31.0 | 51.2 | 22.8 | 22.9 |
| DRU – 15M – 8 | 15 | 1/2 | 10.3 | 24 | 31.8 | 52.0 | 24.4 | 22.9 |
| DRU – 16M – 10 | 16 | 5/8 | 12.7 | 24 | 31.8 | 52.0 | 24.4 | 24.4 |
| DRU – 18M – 12 | 18 | 3/4 | 15.1 | 27 | 33.3 | 53.5 | 24.4 | 24.5 |
| TUBE (INCH) TO TUBE (INCH) | ||||||||||||||||
| A(Tube O.D.) | A1 (Tube O.D.) | D | W (Hex. Flat) | N | L | I | I1 | |||||||||
| in | mm | in | mm | in | mm | in | mm | in | mm | in | mm | in | mm | in | mm | |
| DRU – 2 – 1 | 1/8 | 3.17 | 1/16 | 1.58 | 0.05 | 1.27 | 7/16 | 11.1 | 0.81 | 20.57 | 1.22 | 30.98 | 0.50 | 12.7 | 0.34 | 8.6 |
| DRU – 3 – 1 | 3/16 | 4.76 | 1/16 | 1.58 | 0.05 | 1.27 | 7/16 | 11.1 | 0.86 | 21.84 | 1.27 | 32.26 | 0.54 | 13.7 | 0.34 | 8.6 |
| DRU – 3 – 2 | 3/16 | 4.76 | 1/8 | 3.17 | 0.09 | 2.28 | 7/16 | 11.1 | 0.92 | 23.36 | 1.44 | 36.57 | 0.54 | 13.7 | 0.50 | 12.7 |
| DRU – 4 – 1 | 1/4 | 6.35 | 1/16 | 1.58 | 0.05 | 1.27 | 1/2 | 12.7 | 0.91 | 23.11 | 1.35 | 34.29 | 0.60 | 15.3 | 0.34 | 8.6 |
| DRU – 4 – 2 | 1/4 | 6.35 | 1/8 | 3.17 | 0.09 | 2.28 | 1/2 | 12.7 | 0.97 | 24.63 | 1.52 | 38.60 | 0.60 | 15.3 | 0.50 | 12.7 |
| DRU – 4 – 3 | 1/4 | 6.35 | 3/16 | 4.76 | 0.12 | 3.04 | 1/2 | 12.7 | 1.00 | 25.40 | 1.55 | 39.37 | 0.60 | 15.3 | 0.54 | 13.7 |
| DRU – 5 – 2 | 5/16 | 7.93 | 1/8 | 3.17 | 0.09 | 2.28 | 9/16 | 14.3 | 1.01 | 25.65 | 1.56 | 39.62 | 0.64 | 16.3 | 0.50 | 12.7 |
| DRU – 5 – 4 | 5/16 | 7.93 | 1/4 | 6.35 | 0.19 | 4.82 | 9/16 | 14.3 | 1.08 | 27.43 | 1.66 | 42.16 | 0.64 | 16.3 | 0.60 | 15.3 |
| DRU – 6 – 1 | 3/8 | 9.52 | 1/16 | 1.58 | 0.05 | 1.27 | 5/8 | 15.9 | 1.00 | 25.40 | 1.44 | 36.58 | 0.66 | 16.9 | 0.34 | 8.6 |
| DRU – 6 – 2 | 3/8 | 9.52 | 1/8 | 3.17 | 0.09 | 2.28 | 5/8 | 15.9 | 1.06 | 26.92 | 1.61 | 40.89 | 0.66 | 16.9 | 0.50 | 12.7 |
| DRU – 6 – 4 | 3/8 | 9.52 | 1/4 | 6.35 | 0.19 | 4.82 | 5/8 | 15.9 | 1.12 | 28.44 | 1.70 | 43.18 | 0.66 | 16.9 | 0.60 | 15.3 |
| DRU – 6 – 5 | 3/8 | 9.52 | 5/16 | 7.93 | 0.25 | 6.35 | 5/8 | 15.9 | 1.16 | 29.46 | 1.74 | 44.19 | 0.66 | 16.9 | 0.64 | 16.3 |
| DRU – 8 – 2 | 1/2 | 12.70 | 1/8 | 3.17 | 0.09 | 2.28 | 13/16 | 20.6 | 1.12 | 28.44 | 1.78 | 45.21 | 0.90 | 22.9 | 0.50 | 12.7 |
| DRU – 8 – 4 | 1/2 | 12.70 | 1/4 | 6.35 | 0.19 | 4.82 | 13/16 | 20.6 | 1.16 | 29.46 | 1.85 | 46.99 | 0.90 | 22.9 | 0.60 | 15.3 |
| DRU – 8 – 6 | 1/2 | 12.70 | 3/8 | 9.52 | 0.28 | 7.11 | 13/16 | 20.6 | 1.22 | 30.98 | 1.91 | 48.51 | 0.90 | 22.9 | 0.66 | 16.9 |
| DRU – 10 – 6 | 5/8 | 15.87 | 3/8 | 9.52 | 0.28 | 7.11 | 15/16 | 23.8 | 1.25 | 31.75 | 1.94 | 49.27 | 0.96 | 24.4 | 0.66 | 16.9 |
| DRU – 10 – 8 | 5/8 | 15.87 | 1/2 | 12.70 | 0.41 | 10.41 | 15/16 | 23.8 | 1.25 | 31.75 | 2.05 | 52.07 | 0.96 | 24.4 | 0.90 | 22.9 |
| DRU – 12 – 4 | 3/4 | 19.05 | 1/4 | 6.35 | 0.19 | 4.82 | 1-1/16 | 27.0 | 1.25 | 31.75 | 1.94 | 49.28 | 0.96 | 24.5 | 0.60 | 15.3 |
| DRU – 12 – 6 | 3/4 | 19.05 | 3/8 | 9.52 | 0.28 | 7.11 | 1-1/16 | 27.0 | 1.31 | 33.27 | 2.00 | 50.80 | 0.96 | 24.5 | 0.66 | 16.9 |
| DRU – 12 – 8 | 3/4 | 19.05 | 1/2 | 12.70 | 0.41 | 10.41 | 1-1/16 | 27.0 | 1.31 | 33.27 | 2.11 | 53.59 | 0.96 | 24.5 | 0.90 | 22.9 |
| DRU – 12 – 10 | 3/4 | 19.05 | 5/8 | 15.87 | 0.50 | 12.70 | 1-1/16 | 27.0 | 1.31 | 33.27 | 2.11 | 53.59 | 0.96 | 24.5 | 0.96 | 24.4 |
| DRU – 16 – 8 | 1 | 25.40 | 1/2 | 12.70 | 0.41 | 10.41 | 1-3/8 | 34.9 | 1.59 | 40.38 | 2.38 | 60.45 | 1.23 | 31.2 | 0.90 | 22.9 |
| DRU – 16 – 12 | 1 | 25.40 | 3/4 | 19.05 | 0.62 | 15.75 | 1-3/8 | 34.9 | 1.59 | 40.38 | 2.38 | 60.45 | 1.23 | 31.2 | 0.96 | 24.5 |